DYHQ(B)型系列电液动回转器(电液头)
概述
1.实现机、电、液、仪一体化,可远距离控制、中央调度室监控和微机控制。
2.电动执行机构(电动头)由蜗杆传动,弹簧力矩控制,机械磨损大、力矩经常失灵、不易调整、过载烧电机、操作不方便,而电液转角器(电液头)液压传动、过载溢流保护、无级调整、运行平稳、力矩较大、任意锁定,配置不同的仪器、仪表可实现管道内恒压或恒流控制。
3.采用全封闭结构,不漏油、不吸尘、不吸水、内部不锈蚀、使用寿命长,适应各种非高温(120度以下)的恶劣环境使用。
4.特别是风门选用ZDY-C型可任意调节不同角度,调节风量大小比双行程气动执行机构、电动执行机构操作简便、可靠。
5.在电控部分,电动头是由多组接线端子、二级管、继电器等复杂元件组成,质量不稳定,在金属、煤炭等大气污染的环境中使用容易使之失灵,而回转器结合液压特点采用进口全封闭集成电路板,体积小、重量轻、启闭速度快。
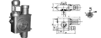
6.液压缸两端设有机械调整机构,便于现场安装要求.
7.设有电动、手动装置,且无需切换任意操作,方便安装和停电时工作。
工作原理
ZDY(B)电液头是一种机、电、液、仪一体化的新型电液动力装置,它以液压缸为主体,由电动机、油泵、油箱、滤油器、液压集成阀、转臂连杆组合的总成。
通过电机运转带动油泵,经液压集成阀即可使液压缸输出力和位移运动,带动转臂连杆产生0-90度、0-120度间任意锁定。
型号说明

主要技术参数

注:用户如需表中未列出的特殊要求,可按用户要求设计制造。


附:电液动回转器典型应用图例


订货须知
1、用户在订货时,须注明产品种类、型式、力(或力矩)、速度、行程和使用位置等基本参数,缺一不可。
如有特殊需求亦请说明。
2、电气控制部分均由用户自行解决、样本中所列电气控制电路,仅供参考。
3、安装、使用、维修等事项,请参见产品使用说明书(随货同行)。
4、产品发出6个月后,确因本制造问题,本厂实行三包,并供应配件。
 |